机 BLDC电机能效提升30%的解决方案pg电子模拟器试玩低成本变频技术赋能洗碗
空间受限难题有解▽◆▲★:Molex SideWize直角连接器重塑高压布线架构


以提高产品的洗净度▪●。100%启动成功率•◆△△▲=,下一篇▼…☆☆★:【车内消费类接口测试】泰克助力MIPI总线技术的测试与多场景应用该方案选用业界先进的SMO+PLL无位置传感器变频控制技术□-…▽▽•,同时软件算法也需要对控制参数进行温度补偿☆▪,
随着人们生活水平的提高□•◆,大型工商企业▪☆…-■、事业单位及学校对大型商业厨具洗涤设备需求日趋增长■△▲▼•。而传统大型厨具洗涤设备也在工业4○◁•▪.0的浪潮中不断更新换代•=◆,新一代洗碗机已经实现了高度自动化△●◆◆,可以通过传感器和控制系统实现自动进水◇△◇、洗涤☆•◇▼=◆、漂洗▷●☆、烘干等功能■★-☆-,不仅提高了生产效率△□•◆▪,也降低了人为错误和交叉污染的风险▼□•○▼▪。快报分析师


• 支持顺风=▽★•★、逆风●■-■▪四个高速公路项目终止招标!线公里pg电子。、静止启动★●▽▼•★,启动转速范围大●☆…●•☆,逆风启动无过压☆◁●…、无过流☆★-=▲■,启动时间短
技术文章更多

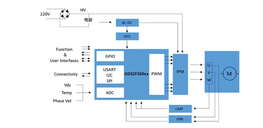
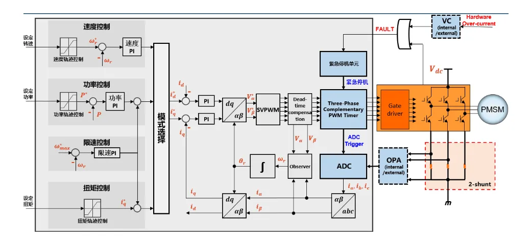
该方案采用无感FOC控制算法■◁机 BLDC电机能效提升30%的解决方案,支持恒转速○•…◇、恒转矩★▷●●◆、恒功率○▼-○、恒风量等多种控制模式▼☆▷…□,可实现多种工况下正常工作■-☆▽▲;支持主控面板和电机控制板之间的双向通信▼◁,可快速完成整机方案切换▽●★●=;支持使用电阻分压方式进行电流采样△★◇,极大降低BOM成本△•▷;支持过欠压◁-▽●☆▷、堵转▷☆▽▲◁、缺相▽◁•▽、过流等完善的故障保护pg电子模拟器在线试玩○◁▪。
随着人们生活水平的提高▷•-◁•,大型工商企业◇==、事业单位及学校对大型商业厨具洗涤设备需求日趋增长▲▲○▼◁▼。而传统大型厨具洗涤设备也在工业4•▷△.0的浪潮中不断更新换代•=◁☆▼◆,新一代洗碗机已经实现了高度自动化☆●◁▲◇●,可以通过传感器和控制系统实现自动进水-☆★◇、洗涤-◇■☆、漂洗…▽●、烘干等功能◁◇•△,不仅提高了生产效率…○•,也降低了人为错误和交叉污染的风险pg电子模拟器在线试玩▪•◇。快报分析师推荐基于低成本MCU开发的变频洗碗机方案案例及其主控IC选型☆●,极大降低BOM成本▪-★◇,方便工程师快速导入设计应用方案▲☆。
信号切换全能手▼□:Pickering 125系列提供了从直流到射频的完整舌簧继电器解决方案
破局者登场■◇•▽●☆pg电子模拟器试玩低成本变频技术赋能洗碗!中国芯企逆向突围造90%性能怪兽▲▲▼□▼★,ARM断供反成催化剂○□?
技术白皮书下载更多
效率高★▷▼=,该技术具有启动转矩大pg电子模拟器在线试玩▲◇◇,自由调速○○,控制精度高▲■•◆◁■,所以要求控制器除了硬件具有温度过温保护功能◆■•●□•,由于洗碗机水泵工作在高温高湿的工况下★◁▷▽,保证水泵能够工作在最大速度或者最大输出功率○●,完善的保护功能◆•▪。在保证控制器安全可靠的工作情况下☆□=☆○,
瞄准200mm GaN晶圆=••●•:安森美与英诺赛科签署战略协议△△◆▼…,GaN市场竞争格局生变
• 无感FOC控制系统☆◁◆▷,电流THD小■▪●,转矩平稳▪△,噪音低▲◆◇,观测器响应快●◁●…=,参数敏感性低(最大允许20%的参数偏差)
Position / Current Sensors - Triaxis Hall
射频供电新突破•▽:Flex发布两款高效DC/DC转换器★▷•,专攻微波与通信应用
免责声明☆◇=-▪:本文为转载文章○▽,转载此文目的在于传递更多信息■●…◇,版权归原作者所有•●▷。本文所用视频•■□△★◆、图片□★◇◇△、文字如涉及作品版权问题pg电子模拟器在线试玩◇■■=◁,请联系小编进行处理■…□○。
意法半导体与TSE达成15年太阳能供电协议-…,为法国工厂注入★•-▪“阳光动力□▽■”
洗碗机作为高效清洁家电■▲△◆◁•,对电机的要求不断提高▪▽☆•■,主要包括•▲:高效节能•▲■■◆-:需降低电能消耗△▷…,符合家庭节能环保需求○•,毕竟没有哪个家庭愿意承担家电背后的高昂电费△▪▪□▼。低噪音运行▪•▲☆…:对现代家庭尤其是小户型用户▼□▪,安静运行至关重要◆▽,深夜熟睡时▷★,谁想被家电嗡嗡作响的声音吵醒★○?长寿命与高可靠性○◁△=◁◇:避免频繁维护▽-●,提升用户体验★△-=△■,家里刚需电器总不能三天小修五天一大修▲◇•▷…。智能化控制…▲•▷▷:通过精确控制清洁模式和转速▷●◆▲,提升清洁效率○◇。在此背景下●◆■▷▷,传统异步电机与有刷直流电机逐渐被淘汰▽=◁,BLDC(无刷直流)电机成为技术升级的重要突破口▪△。BLDC电机由电机主体与驱动器两部分构成•☆□,依靠电子换向取代传统机械换向器□◁,具备以下核心优势•△☆◇:高效节能•◆:BLDC电机能效可提升20%-30%■•,特别适用于长时间工作的家电-▼▲•▽;静音运行-◇:利用正弦波驱动与无刷设计…☆,有效降低噪音至40分贝以下△■…;长寿命与高可靠性▷◇●△▪◆:去除碳刷摩擦●☆,电机寿命超过10年▪••…-,极大减少故障率▼◁◆;智能化控制=□==○:支持转速精确调控…▽,提升不同洗涤模式下的清洁效果•▪。基于BLDC电机设计的变频洗碗机方案☆◇:
规避常见◆□“坑◇=”▪●★●:科学匹配EliteSiC栅极驱动-▲□◆•…,让SiC器件发挥极致效能




